Home
Settori
Produzione Gas
Siderurgia
Handling
Filtropresse
Sistemi di Controllo
Cartone e Scatole
Industria 4.0
Sistemi Micro
Miscelazione oli
Supporto
Contatti
LAMBERTO LODOLA
Esperienza e Innovazione
Produzione Gas Tecnici
Produzione Gas Tecnici
Produzione Gas Tecnici
Previous
Next
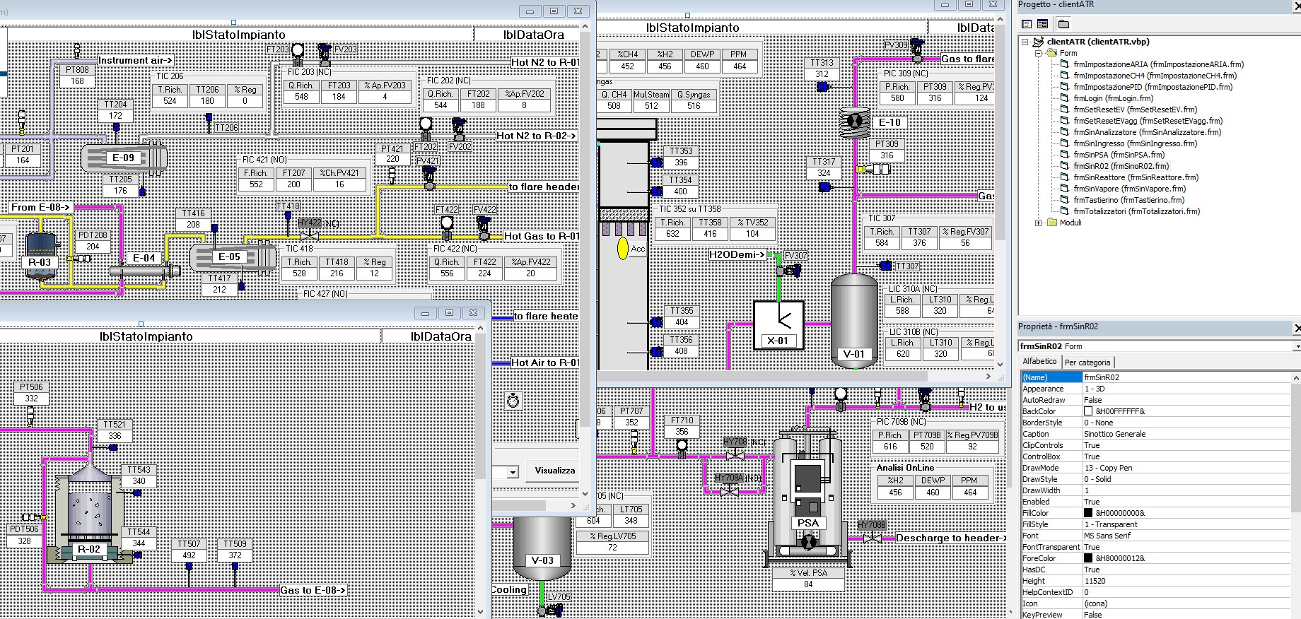
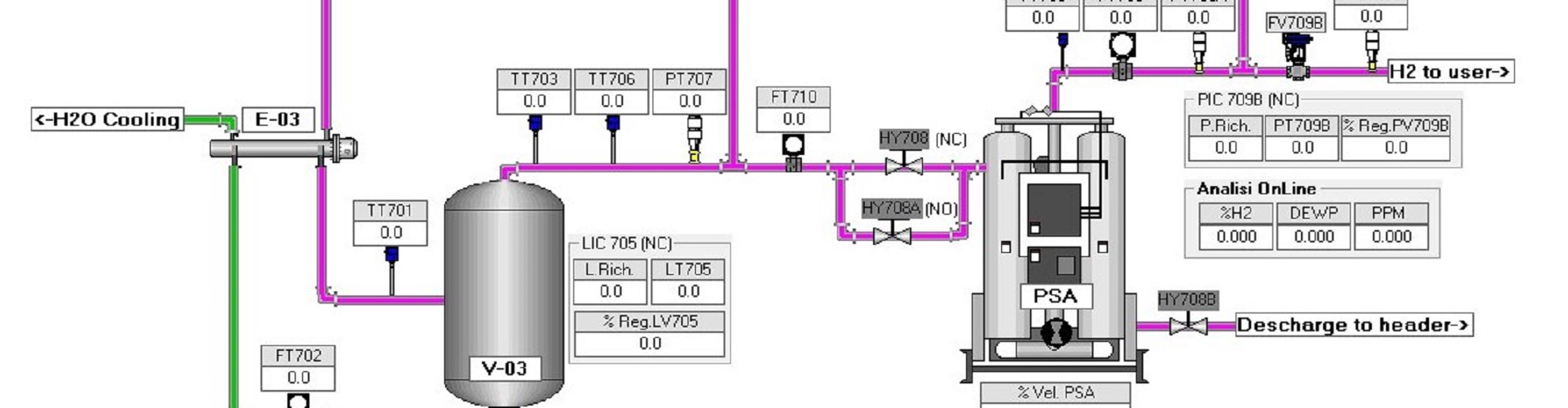
Alcuni dei Progetti per la produzione di gas tecnici realizzati:
Produzione idrogeno da elettrolisi.
Produzione idrogeno con Steam Reforming.
Produzione idrogeno con combustione parziale metano.
Produzione miscele gas per trattamenti termici.
Produzione contemporanea idrogeno e azoto.
Produzione azoto con PSA.
Elettrolizzatore
> Info
Steam Reforming con Vapore
> Info
Steam Reforming Aria-Metano
> Info
Miscela Gas Trattamenti Termici
Produzione Azoto e Idrogeno
PSA Produzione Azoto
Lamberto Lodola
Contatti
[email protected]