Home
Settori
Produzione Gas
Siderurgia
Handling
Filtropresse
Sistemi di Controllo
Cartone e Scatole
Industria 4.0
Sistemi Micro
Miscelazione oli
Supporto
Contatti
LAMBERTO LODOLA
Esperienza e Innovazione
Sistemi di Controllo con Plc
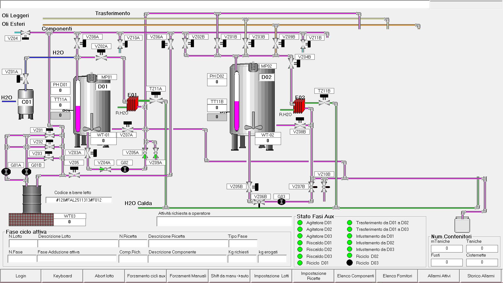
Impianto miscelazione oli speciali
Impianto miscelazione oli speciali
Previous
Next
Impianto di miscelazione oli speciali
Sinottico impianto di miscelazione oli
Lamberto Lodola
Contatti
[email protected]