LAMBERTO LODOLA

Esperienza e Innovazione 


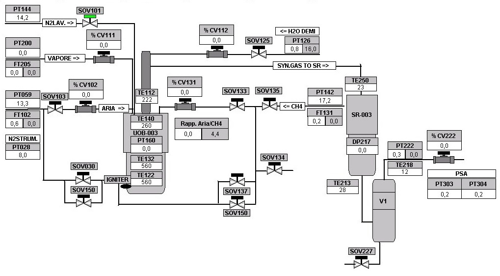
Steam Reforming a combustione parziale del metano

Diversamente dai tradizionali steam Reforming, con questo sistema, il syngas viene prodotto ottenendo una combustione parziale del metano direttamente in una camera di combustione.
Caratteristiche particolari di questo processo sono:

Steam Reforming Aria-Metano
Steam Reforming Aria-Metano
Lamberto Lodola
Contatti 
[email protected]